公司资料
Baotn Intelligent润滑技术(Dongguan)有限公司已发展成为专门从事集中润滑系统的领先机械制造商之一。该公司遵守一种战略方法,即完整性是基本的,质量赢得了未来的胜利。它会产生各种质量和稳定的润滑设备产品,包括体积或抗性类型的油润滑系统,体积或进行性类型的润滑泵,润滑型和空气润滑,润滑,润滑,润滑,润滑,润滑,润滑,润滑,润滑,润滑,均采用,该润滑的水泵,促进水泵,促进水泵,以促进水泵,促进水泵。 CNC机器,加工中心,冲压,打印,纺织品,电梯,采矿。食品,铸造厂,塑料和其他行业的润滑系统
Baotn Team Tour
我们公司是15年的集中润滑系统设备的专业制造商和分销商。我们的产品被广泛用于以下行业的润滑系统设备
1。金属加工切割设备
2、3C设备
3,木材设备
4,钣金设备
5,自动化
6,模制设备
7,紧固件设备
8,纺织设备
9,纸质印刷食品包装设备
10。电梯
11.建筑机械
12,汽车12,汽车汽车12
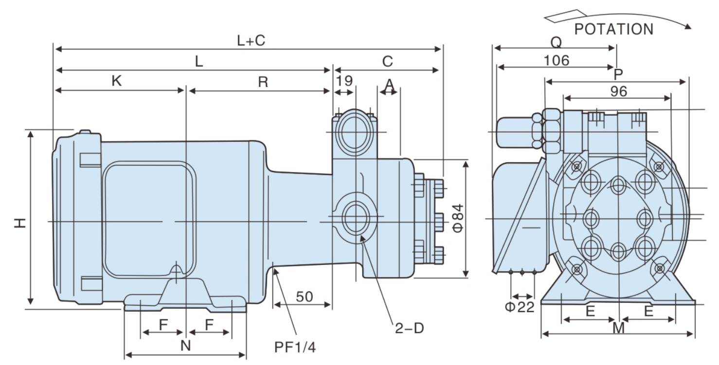
BDG电动油脂润滑泵
袋气润滑油润滑泵
BDGS电油脂润滑泵
BT-A2P4薄油润滑泵与数字显示