●用于工具机械切割,液体输送。
●流畅的油输送,低噪音
●适用于轴冷却和润滑,导轨润滑等。
●产品检查,两年保修
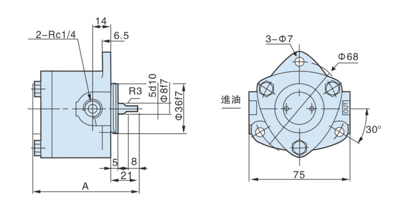
MTH-SBRB 双向旋风泵
性能和特征
该泵具有简单结构,强大的自我效果,稳定的油输送,低鼻子和高革命性能的特征,适合在润滑系统中进行低压连续润滑。该泵的特征是:双向循环泵的设计必须确保,无论是正旋或负旋转,油在固定方向上流动。双向旋转泵的油入口和油出口必须保持恒定,并且可以更改泵的旋转方向。
它适用于正旋转机械,例如车床,旋转臂磨机,研磨机,冷却器和磨机等。
MTH-SBRB 双向旋风泵
性能和特征
该泵具有简单结构,强大的自我效果,稳定的油输送,低鼻子和高革命性能的特征,适合在润滑系统中进行低压连续润滑。该泵的特征是:双向循环泵的设计必须确保,无论是正旋或负旋转,油在固定方向上流动。双向旋转泵的油入口和油出口必须保持恒定,并且可以更改泵的旋转方向。
它适用于正旋转机械,例如车床,旋转臂磨机,研磨机,冷却器和磨机等。
公司资料
Baotn Intelligent润滑技术(Dongguan)有限公司已发展成为专门从事集中润滑系统的领先机械制造商之一。该公司遵守一种战略方法,即完整性是基本的,质量赢得了未来的胜利。它会产生各种质量和稳定的润滑设备产品,包括体积或抗性类型的油润滑系统,体积或进行性类型的润滑泵,润滑型和空气润滑,润滑,润滑,润滑,润滑,润滑,润滑,润滑,润滑,润滑,均采用,该润滑的水泵,促进水泵,促进水泵,以促进水泵,促进水泵。 CNC机器,加工中心,冲压,打印,纺织品,电梯,采矿。食品,铸造厂,塑料和其他行业的润滑系统
Baotn Team Tour
我们公司是15年的集中润滑系统设备的专业制造商和分销商。我们的产品被广泛用于以下行业的润滑系统设备
1。金属加工切割设备
2、3C设备
3,木材设备
4,钣金设备
5,自动化
6,模制设备
7,紧固件设备
8,纺织设备
9,纸质印刷食品包装设备
10。电梯
11.建筑机械
12,汽车12,汽车汽车12
BDG电动油脂润滑泵
袋气润滑油润滑泵
BDGS电油脂润滑泵
BT-A2P4薄油润滑泵与数字显示
内容为空!